TARCZA SPRZĘGŁA SPRĘŻARKI DENSO SCSA06 / SCSB06, TOYOTA, FIAT

TARCZA SPRZĘGŁA SPRĘŻARKI DENSO SCSA06 / SCSB06, TOYOTA, FIAT

91,00 zł
73,98 zł Netto

Najniższa cena w ciągu ostatnich 30 dni: 85,50 zł z dnia 13.02.2025

Ilość
Ostatnie sztuki w magazynie

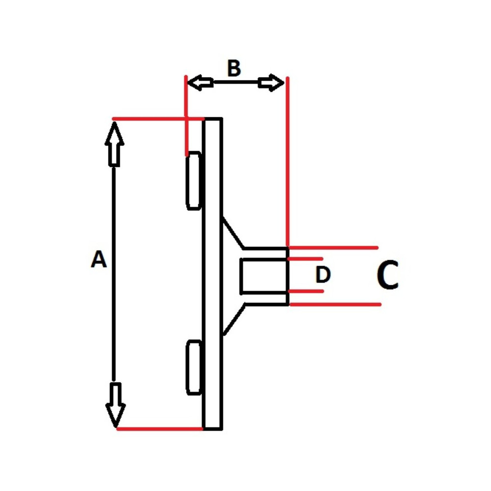
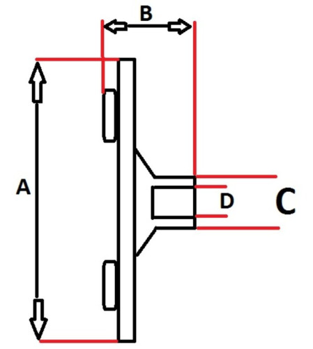
Marka FIAT, TOYOTA Producent / Odpowiednik DENSO Typ kompresora SCSA06 / SCSB06 A - Średnica zewnętrzna (mm) 94 B - Wysokość tarczy (mm) 23 C - Średnica otworu mocowania (mm) 8 D - Głębokość osadzenia wałka (mm) 16 Rodzaj mocowania Gwint
A.SP.TS.DO.004
1 szt.

Brak recenzji użytkowników.

expand_less